淄博臺式液壓鉚接機
產品詳情
產品特點
型號DF-B-6,規格Φ2-Φ10;
此款臺式液壓鉚接機采用鑄造機體,重心低,剛性強;
一段式高低調整裝置,適用于零部件長短變化大的鉚接;
最大鉚合能力為實心Φ10mm。
技術參數
型號 | 主軸行程 (mm) | 鉚接直徑br/>(mm) | 沖頭至臺面距離 (mm) | 喉深 (mm) | 電機功率 (kw) | 使用壓力 (kgf/cm2) | 最大出力 (kgf) | 工作臺尺寸 (mm) | 凈重 (kg) | 機械尺寸 (mm) |
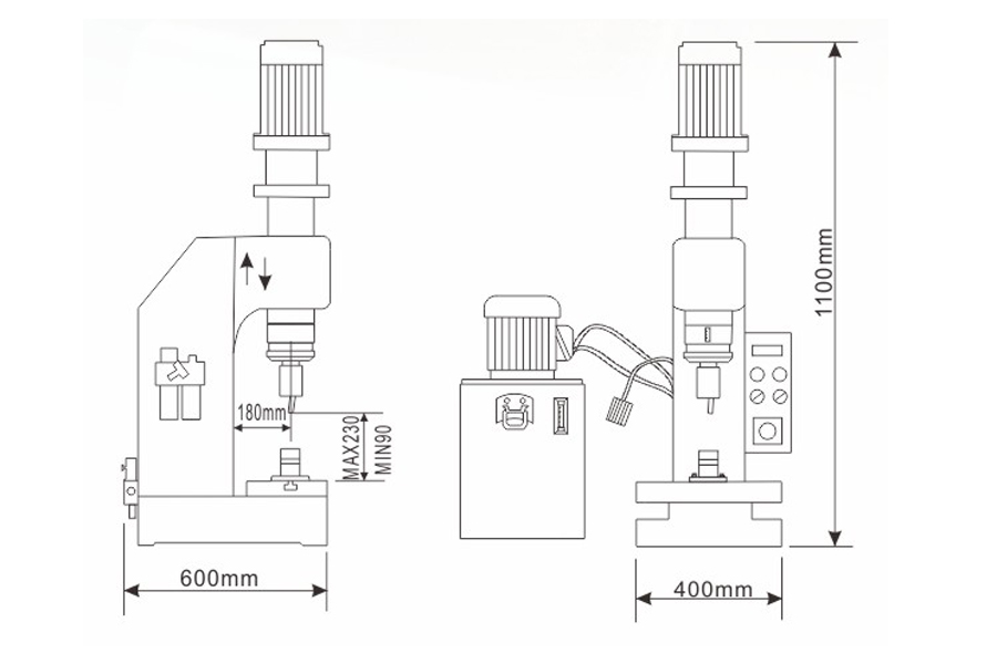
DF-B-6 | 0-35 | 實心2-10 空心1-14 | 230 | 180 | 1.1 | 0-35 | 1650 | 185*275 | 210 | 600*400*1100 |
結構尺寸

訂貨流程

售后服務
